Home

LOW NOISE FUNDAMENTAL BAND
YIG TUNED OSCILLATORS
EXTREME WIDE BAND SERIES

   
FEATURES
  • 2-18 and 2-20 GHz Coverage
  • Excellent Phase Noise
  • FM/Phase Lock Port
  • Excellent Linearity
  • High Reliability
 

DESCRIPTION
The Micro Lambda low noise, extreme wide band Fundamental YIG Tuned Oscillators cover the frequency band of 2-18 and 2-20 GHz. This oscillator series offers SUPERIOR PHASE NOISE performance of –112 dBc/Hz @ 100 kHz offset at 18 GHz and –107 dBc/Hz at 20 GHz. They make ideal local oscillators for synthesizers, receivers, sweep generators and other specialized test equipment.


ELECTRICAL AND PERFORMANCE SPECIFICATIONS
Guaranteed Specifications at –0º to +65º C Case Temperature (Note 1)

Micro Lambda Wireless, Inc. - 46515 Landing Parkway, Fremont California 94538 * Phone (510) 770-9221 * Fax (510) 770-9213

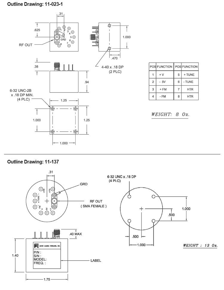
PDF Format Data Sheet and Outline Drawing

Request for Quote Form

Drivers:
Commercial Analog Driver (PA Series)      Commercial Digital Driver (PD Series)     Commercial Series Driver (SD Series)
Military Digital Driver (MD Series)     Military Serial Driver (MS Series)