|
DESCRIPTION
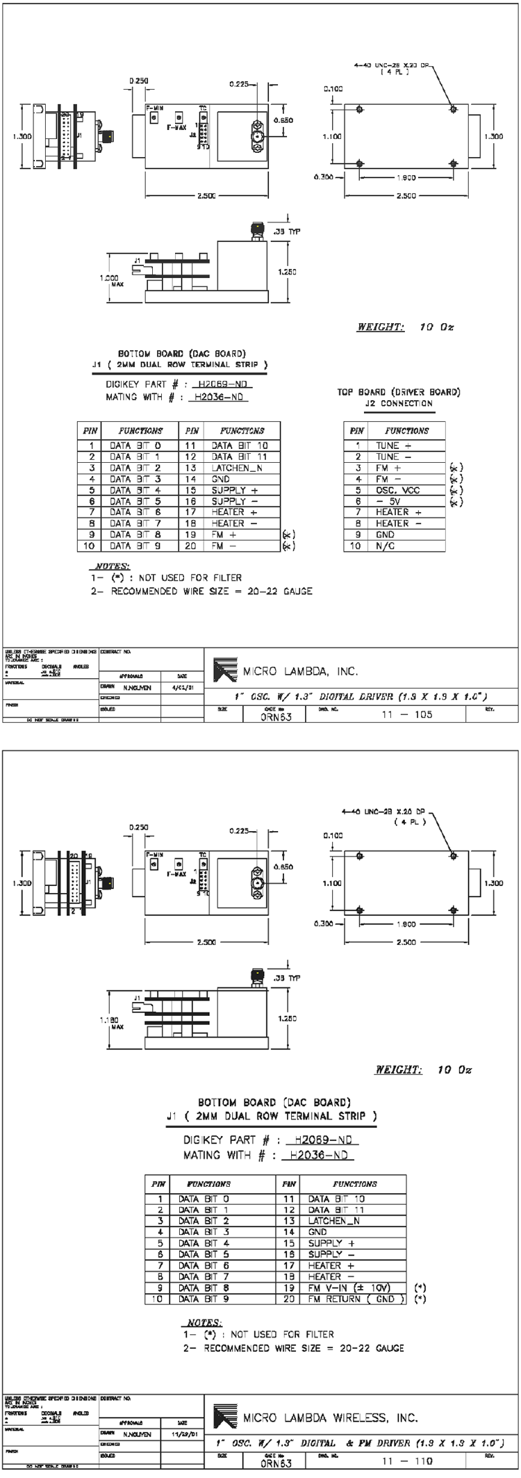
Micro Lambda MLOM and MLXM Series 1” Cube YIG Oscillators are available with integrated digital driver circuits. These drivers
eliminate the need for customers to design or develop their own driver circuits and sophisticated test and alignment procedures.
Integrating a driver at Micro Lambda’s factory ensures peak performance. Alignment and compensation with the particular
YIG oscillator can be maximized down to the component level.
All drivers in this series provide input voltage regulators and compensation circuits to improve frequency drift. All voltages required
by the YIG oscillator, except the heater inputs are supplied by the voltage regulators.

Micro Lambda Wireless, Inc. -
46515 Landing Parkway, Fremont California 94538 * Phone (510) 770-9221
* Fax (510) 770-9213
PDF
Format Data Sheet and Outline Drawing
Component Data Sheets:
MLOM Series (Octave Bands) MLOM Series (Multi-Octave Bands) MLXM Series (Multi-Octave Bands) |