Home

YIG TUNED FILTERS WITH
MILITARY DIGITAL DRIVERS
MD SERIES

   
FEATURES
  • 500 MHz to 26 GHz
  • Compensation for Temperature Drift
  • Input Regulators for Improved Stability
    -
    Versus Power Supply Variations
  • 12 Bit Tuning Resolution
  • -40º C to +85º C Temperature Range

DESCRIPTION

MICRO LAMBDA YIG Filters, model types MLFP Series and
MLFR-Series are available with integrated digital driver circuits.

MICRO LAMBDA drivers eliminate the need for customers to design or develop their own driver circuits and sophisticated test and alignment procedures. Integrating a driver at MICRO LAMBDA’s factory ensures that peak performance will be achieved at the time of manufacture. Alignment and compensation with the particular YIG filter can be maximized down to the component level.

All drivers in this series provide input voltage regulators, and compensation circuits to improve frequency drift.

YIG drivers act as Digital Word-to-Current converter, Converting standard DC input voltages into mA of current to tune a magnetic tuning coil.

POSITIVE INPUT DRIVERS
MD Series

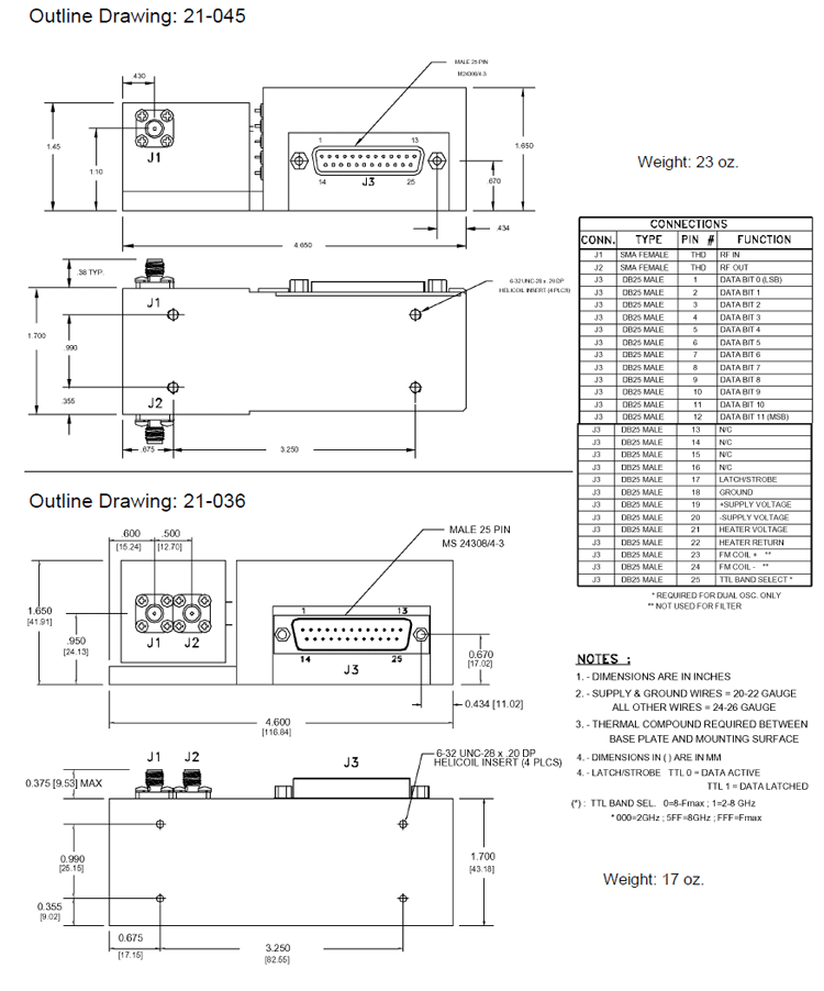
MICRO LAMBDA positive digital drivers are available for military environments. Standard products provide for 12 bit TTL tuning input and operate over -40° to +85°C temperature range. Units incorporate a Mil-grade 25 pin control connector and filter feedthroughs in the driver housing to minimize EMI leakage.

 

The MD series of digital drivers provide the main coil current from the +15 volt input line. Current increases linearly from 0 mA = 0 GHz at a rate of approximately 50 mA per 1 GHz. A 2-8 GHz filter will require 100 mA @ 2 GHz and 400 mA @ 8 GHz.

Negative input drives which provide the main coil current on the –15 volt input line, are available as an option.

Frequency drift-performance can be minimized with inclusion temperature compensation circuits within the driver. This yields filter/driver combinations set at the factory with excellent frequency accuracy performance.

In special cases, speed-up circuits like those used to improve tuning speed of YIG-oscillators can be included to provide both fast-tuned and with good accuracy. Filter parameters can be maximized during factory alignment to meet customer specific requirements.

AVAILABLE OPTIONS FOR MD-SERIES
MILITARY DIGITAL DRIVERS

  • Customer Defined "Truth" Table
  • Latched TTL
  • Negative Input Drivers


Micro Lambda Wireless, Inc. - 46515 Landing Parkway, Fremont California 94538 * Phone (510) 770-9221 * Fax (510) 770-9213

PDF Format Data Sheet and Outline Drawing

Component Data Sheets:
MLFR Series Octave Band     MLFR Series Multi-Octave Band     MLFR Series Wide Band     MLFR Series Ultra Notch
MLFP Series (2-Stage)     MLFP Series (4-Stage)      MLFP Series (6-Stage)     MLFP Series (7-Stage)
MLFP-L Series (7-Stage)